
福建省人民政府办公厅关于印发《福建省海上
搜寻救助奖励管理暂行办法》的通知
闽政办〔2019〕54号
各市、县(区)人民政府,平潭综合实验区管委会,省人民政府各部门、各直属机构,各大企业,各高等院校:
《福建省海上搜寻救助奖励管理暂行办法》已经省政府同意,现印发给你们,请认真贯彻执行。
福建省人民政府办公厅
2019年12月25日
福建省海上搜寻救助奖励管理暂行办法
第一章 总 则
第一条 为保护海上人员生命和财产安全,鼓励社会力量积极参与海上搜寻救助工作,促进福建省海上搜寻救助事业的可持续发展,根据国家《海(水)上搜救奖励专项资金管理暂行办法》(财建〔2007〕465号)、《福建省海上搜寻救助规定》(福建省人民政府令第155号)等有关规定,结合实际,制定本办法。
第二条 福建省海上搜救中心负责组织实施海上搜寻救助奖励工作。福建省海上搜救中心办公室具体负责海上搜救奖励资金的审核发放和日常管理工作。
第三条 奖励资金的使用遵循实事求是、专款专用、公正公开、额度适当的原则。
第二章 奖励的范围和标准
第四条 本办法的奖励对象是在福建省海上搜寻救助责任区内参与海上搜寻救助行动且做出突出贡献的社会力量。
本办法所称“社会力量”是指除国家专业搜救力量及党政机关外,由福建省海上搜救中心动员或自愿参加海上搜寻救助行动的自然人和法人。
第五条 符合以下条件之一的社会力量可以给予奖励:
(一)参与海上重特大险情搜救行动且有突出贡献的;
(二)参与海上较大、一般等级险情搜救行动,且搜救难度大或避免造成重大社会影响的;
(三)在搜救行动中表现突出,有效避免或减少遇险人员伤亡、重大财产损失或海洋环境污染的;
(四)在恶劣气象海况等困难条件下坚持开展搜救行动的;
(五)发现并成功打捞起海上遇难人员遗体的;
(六)长期坚持参与海上搜寻救助行动且成绩突出的;
(七)在应急打捞处置碍航的无主沉船沉物工作中表现突出的;
(八)根据其他有关规定应当给予奖励的情况。
第六条 奖励分为集体奖励和个人奖励,相应的奖励标准如下:
(一)对参与特大海上险情搜救行动的集体奖励额度最高为40000元/次,个人奖励额度最高为5000元/次;
(二)对参与重大海上险情搜救行动的集体奖励额度最高为30000元/次,个人奖励额度最高为3000元/次;
(三)对参与较大海上险情搜救行动的集体奖励额度最高为20000元/次,个人奖励额度最高为2000元/次;
(四)对参与一般海上险情搜救行动的集体奖励额度最高为10000元/次,个人奖励额度最高为1000元/次;
(五)成功搜寻并救起遇险落水人员的,每救起1人额外奖励5000元;
(六)发现并成功打捞起海上遇难人员遗体的,每捞起1具额外奖励5000元;
(七)对参与应急打捞处置碍航的无主沉船沉物工作的,单个集体奖励额度不超过40000元/次,个人奖励额度不超过5000元/次。
(八)对长期坚持参与海上搜救应急行动且成绩突出的,单个集体奖励额度最高为30000元,个人最高为5000元。
具体的奖励金额,由福建省海上搜救中心办公室综合考虑险情等级、气象海况、救助难度、搜救效果及奖励资金预算安排等因素确定。
第三章 奖励申请、审核、发放程序
第七条 福建省海上搜救中心每年组织对上年度海上搜救工作中做出突出贡献的社会力量进行奖励。
奖励申请可由参与搜救行动的社会力量向组织搜救行动的沿海设区市及平潭综合实验区海上搜救中心提出。
第八条 组织搜救行动的沿海设区市及平潭综合实验区海上搜救中心根据本办法第七条推荐拟奖励对象,于次年3月1日前向福建省海上搜救中心办公室提交奖励申请,申请时应提交如下材料:
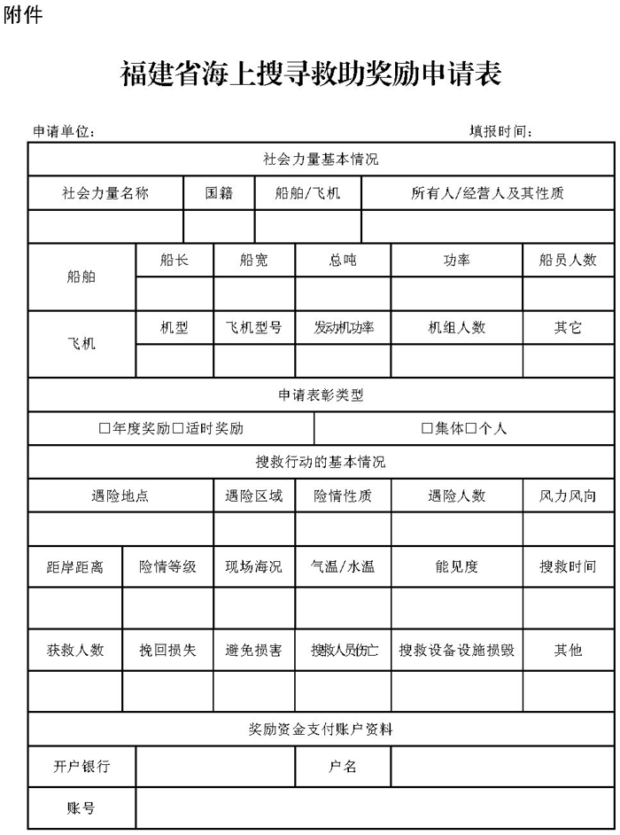
(一)《福建省海上搜寻救助奖励申请表》(见附件);
(二)自然人或法人有效证明、证件;
(三)主要搜救经过和主要事迹;
(四)其他相关材料及相关资料信息。
第九条 福建省海上搜救中心办公室应当建立由海事、搜救、应急管理、防污染、财务管理等领域专家组成的奖励资金审核专家库。
收到奖励申请后,福建省海上搜救中心办公室应从审核专家库中抽调专家对奖励资金申请进行审核。
第十条 专家审核通过后,福建省海上搜救中心办公室应将包含奖励对象、奖励金额等信息的奖励方案进行为期7个工作日的公示,接受社会监督。
福建省海上搜救中心办公室对公示过程中社会公众提出的异议应进行核实,并将修正后的内容进行再公示。
第十一条 福建省海上搜救中心办公室应在公示结束后及时将奖励资金划拨给奖励对象。对不能提供账号资料的,可将奖励资金划拨至险情发生地或奖励对象所在地的海上搜救中心,由其代为发放。
第十二条 对社会力量参加社会影响大、救助风险大、避免重大人员伤亡和重大环境污染的搜救应急行动且有重大立功表现的,可采取特事急办的处理方式及时进行奖励。
采取特事急办方式奖励的,福建省海上搜救中心办公室应及时组织专家审核和资金发放。
第四章 奖励资金的使用、管理和监督检查
第十三条 奖励资金从省级财政预算安排的动员民间力量对海上搜救经费中统筹解决。
第十四条 对用欺骗手段或弄虚作假骗取奖励的,一经发现,福建省海上搜救中心应当撤销奖励,责令奖励申请人退还获取的奖金,并取消其当年搜救奖励资格;涉嫌犯罪的,移交司法机关处理。
第十五条 福建省海上搜救中心办公室应对奖励资金的使用情况进行不定期检查,并接受财政、审计部门的监督检查。
第五章 附 则
第十六条 海上险情的分级标准按照有关规定执行。
第十七条 各沿海市、县(区)人民政府及平潭综合实验区管委会可参照本办法,结合实际制定具体的奖励办法或实施细则。
第十八条 本办法由福建省海上搜救中心负责解释。
第十九条 本办法自印发之日起实施。
附件:福建省海上搜寻救助奖励申请表


扫一扫手机阅读




